MPS系统方案设计精选 _ 智能USB充电
智能USB充电
MPS是业内USB charger 产品类型最齐全芯片供应商之一,MPS可以提供单口双口 USB Type-A,USB Type-C,USB Type-C PD等充电方案,MPS USB charger 产品集成度高,单颗芯片支持双路USB充电口,单颗芯片集成功率DCDC/USB识别/USB限流。MPS USB charger 产品在主流OEM(奔驰,宝马,通用,大众,长城,上汽)都有大量量产。
应用参考设计(将鼠标移至
按钮可查看产品详情)
智能USB充电 参考设计应用
智能USB充电 操作系统

MPQ4475-E-AEC1

简介:36V, 2.5A, 带单个 USB 充电端口的频率可选降压变换器,符合 AEC-Q100 认证
下载文档:规格书
MPQ4481-AEC1

简介:36V,3A,双路 USB 充电端口降压变换器具有频率可编程和频谱扩展选项功能变换器,支持符合AEC-Q100汽车认证的EN_USB和故障指示
下载文档:规格书
MPQ4475-E-AEC1

简介:36V, 2.5A, 带单个 USB 充电端口的频率可选降压变换器,符合 AEC-Q100 认证
下载文档:规格书
MPQ4481-AEC1

简介:36V,3A,双路 USB 充电端口降压变换器具有频率可编程和频谱扩展选项功能变换器,支持符合AEC-Q100汽车认证的EN_USB和故障指示
下载文档:规格书
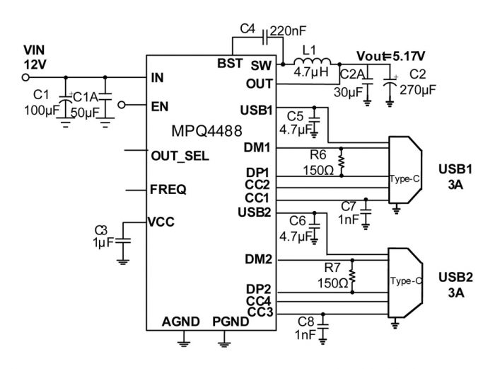
MPQ4488-AEC1

简介:36V,3A,双路 USB 充电端口降压转换器,带频率可编程和频谱扩展选项功能,支持 DCP 方案和符合 AEC-Q100 汽车认证的 Type-C 5V @ 3A DFP 模式
下载文档:规格书
MPQ4488-AEC1

简介:36V,3A,双路 USB 充电端口降压转换器,带频率可编程和频谱扩展选项功能,支持 DCP 方案和符合 AEC-Q100 汽车认证的 Type-C 5V @ 3A DFP 模式
下载文档:规格书